
Miniature Bearings Australia
GE-11000-18000-ST-OH-W - Datasheet
MBA
Category Information
Bushings - Spherical - Steel - With Oil Hole and Wiper SealWith Oil Hole and Wiper Seal Steel Spherical Bushings. Steel spherical plain bearings. Also known as ball bushings.
- Compensates for axial loads and misalignment.
Product Data
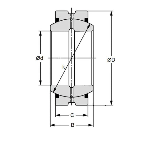
- Bore (d1)
:
110.000
mm
(Equiv. 4.331 in.) - OD (d2)
180.000
mm
(Equiv. 7.087 in.) - Width (B)
100.000
mm
(Equiv. 3.937 in.) - Outer Width (C) 70.00 mm
- Dynamic Load Capacity 112000 kgf
- Static Load Capacity 672000 kgf
- Features With Wiper Seals / With Oil Hole
- Material Steel
Product Compliance and Data
Additional Resources
Cross References
- Nachi GE-110GS-2RS
- IKO GE110GS-2RS
- Nachi GE-110GS-RS
- IKO GE110GS-RS
- GE110GSRS
- GE110GS2RS



