
Miniature Bearings Australia
GE-11000-17000-ST-OH-SP - Datasheet
MBA
Category Information
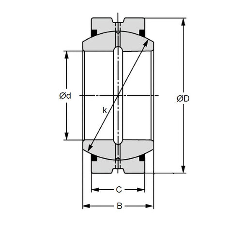
Bushings - Spherical - Steel - With Oil HoleWith Oil Hole Steel Spherical Bushings. Steel spherical plain bearings. Also known as ball bushings.
- Compensates for axial loads and misalignment.
Product Data
- Bore (d1)
:
110.000
mm
(Equiv. 4.331 in.) - OD (d2)
170.000
mm
(Equiv. 6.693 in.) - Width (B)
93.000
mm
(Equiv. 3.661 in.) - Outer Width (C) 80.00 mm
- Dynamic Load Capacity 128000 kgf
- Static Load Capacity 768000 kgf
- Features Spring and oil Hole on OD
- Material Steel
Product Compliance and Data
Additional Resources
Cross References
- IKO SB-11017093
- SB11017093



