Miniature Bearings Australia - MBA Minibearings
Miniature Bearings Australia

CC-114-127-C - Datasheet

MBA

Category Information

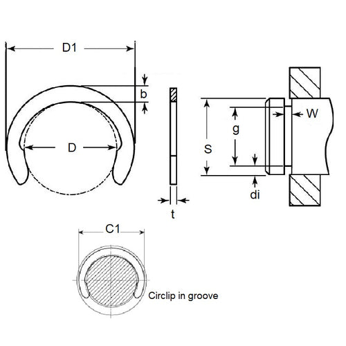
Retaining Rings - Crescent

Crescent Retaining Rings. Variation of an E-Clip with an open face. Also known as a C-Clip.

  • Narrow section height provides good clearance capabilities.
  • Absence of teeth and deep set mean less thrust load ratings than e-clips.
  • For best results install using the recommended applicator tool.

Product Data

  • Groove Diameter (G) : 11.43 mm
    (Equiv. 0.45 in.)
  • Shaft Diameter (S) 12.70 mm
    (Equiv. 0.5 in.)
  • Thickness (t) 0.89 mm
    (Equiv. 0.035 in.)
  • Clip OD in groove (C1) 15.24 mm
  • Clip OD Loose (D1) 14.76 mm
  • Groove Width (W) 0.99
  • Material Carbon Spring Steel Self Finish
Country of Origin: US

Product Compliance and Data

Additional Resources

    Cross References

    • Military 16632-050
    • Military 16632-050/B
    • Military 16632-050-B
    • Waldes 5103-050
    • Waldes 5103-050/B
    • Waldes 5103-050-B
    • Ellison 9103-050
    • Ellison 9103-050/B
    • Ellison 9103-050-B
    • NoCor C-050
    • Rotor Clip C-050
    • NoCor C-050/B
    • Rotor Clip C-050/B
    • NoCor C-050-B
    • Rotor Clip C-050-B
    • N1800-050/B
    • N18000050APP
    • N1800-0050APP
    • N1800050
    • N1800050B
    • N1800050/B
    • N1800-050-B
    • 16632050B
    • 16632050/B
    • 9103050
    • 9103050B
    • 9103050/B
    • 5103050/B
    • 5103050B
    • C050B
    • C050/B
    View full details