
Miniature Bearings Australia
SLQ-1111-1748-06668-T - Datasheet
MBA
Category Information
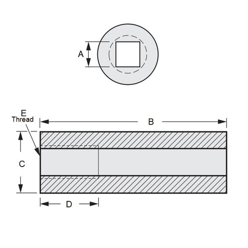
Sleeves - Square Hole - Threaded - Carbon SteelCarbon Steel Threaded Square Hole Sleeves. Square and concentric to 0.076mm (0.003in). Threaded.
- Precisely machined, round outer surface and a uniform, precisely square-shaped hole completely through its center.
 
Product Data
- Nominal Square Size 
:
11.240
mm
+/- 0.0254
(Equiv. 0.443 in.) - Outside Diameter (C) 
17.462
mm
(Equiv. 0.687 in.) - Length (B) 
66.675
mm
(Equiv. 2.625 in.) - Actual Square Size (A) 11.111 mm
 - Thread Depth (D) 15.875 mm
 - Thread Size 1/2-20 UNF (12.700mm)
 - Material Carbon Steel 11L17
 
Product Compliance and Data
Additional Resources
Cross References
- SHS43
 - SHS-43
 - A7C19T043
 - A7C19-T043
 


