
Miniature Bearings Australia
RPI-111-112-C - Datasheet
MBA
Category Information
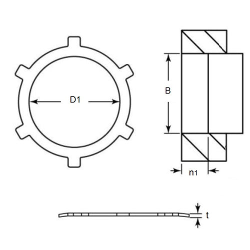
Retaining Rings - Push In Carbon SteelPush In Carbon Steel Retaining Rings. Thrust load shown is calculated for ideal conditions with mild steel bore.
Product Data
- Housing Bore (B) Min
:
11.10
mm
(Equiv. 0.437 in.) - Housing Bore (B) Max
11.15
mm
(Equiv. 0.439 in.) - Inside Clearance (D1)
6.02
mm
+ / - 0.26
(Equiv. 0.237 in.) - Thickness (t) 0.25 mm +/- 0.03
- Recommended Depth (n1) 1.02 mm
- Thrust Load 968 kg.cm
- Material Carbon Spring Steel Self Finish
Product Compliance and Data
Additional Resources
Cross References
- 98435A136
- Small Parts RSI-7
- NoCor TI-043
- TI043
- N13050043APP
- N1305-0043APP
- N1305-0043-APP
- RSI7


