
Miniature Bearings Australia
JLP-150RS - Datasheet
MBA
Category Information
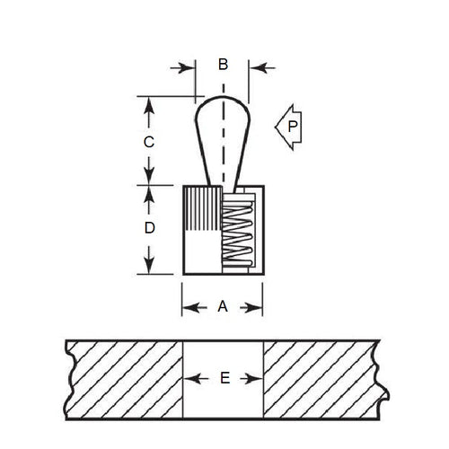
Pins - Locating Spring - Steel Pin - UnsealedUnsealed Steel Pin Locating Spring Pins. Aluminium Body. For fixturing small parts in tight areas. Ideal for positioning and chucking flat or round parts for profile clamping.
Product Data
- Diameter (A) 
:
11.13
mm
(Equiv. 0.438 in.) - Pin Diameter (B) 
5.00
mm
(Equiv. 0.197 in.) - Pin Height (C) 
7.29
mm
(Equiv. 0.287 in.) - D 8.99 mm
 - E 11.13 mm + 0.025 / - 0.000
 - P Force 9.07 Kg
 - X 1.60 mm
 - Installation Tool JLP-405
 - Material Carbon Steel
 
Product Compliance and Data
Additional Resources
View full details


