
Miniature Bearings Australia
RB-100-050-120-A - Datasheet
MBA
Category Information
Bore ReducersBore Reducers. Inch to Metric / Inch to Inch / Metric to Metric. Brass reducing bushes.
- This category will be discontinued when the remaining items are sold.
- All items are priced to quit.
- Backorders or orders for previously listed items in the category may still be possible - please enquire.
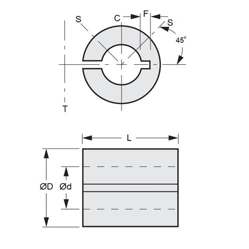
- S = Recommended set screw positions.
- C = Recommended position for single set screw fastening.
- T = Recommended position for tangential screw in clamp hub.
Product Data
Deleted Item. Available while stocks last.
Please contact us first if you wish to use this item in a new design so we can check whether production can be resumed.
- Outside Diameter (d)
:
10.00
mm
+ 0.013 / - 0.025
(Equiv. 0.394 in.) - Inside Diameter (D)
5.00
mm
+ 0.025 / 0.000
(Equiv. 0.197 in.) - Length (L)
12.0
mm
(Equiv. 0.472 in.) - End Lip No
- Material Aluminium Alloy
Product Compliance and Data
Additional Resources
Cross References
- A 7A30M100512
- A7A30M100512


