
Miniature Bearings Australia
CLP-100-0569G-S4 - Datasheet
MBA
Category Information
Pins - Clevis - Groove Locking - Stainless Steel 300 GradeStainless Steel 300 Grade Groove Locking Clevis Pins. Match with a suitable E-Clip or Circlip to suit groove size shown in listings
- In addition to retaining parts on a shaft or axle, clevis pins can also be used as light duty axles, spring holders or even fishing line weights.
- Grooved end to suit retaining clip instead of pin.
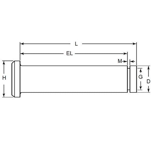
Product Data
- Nominal Pin Diameter (D)
:
10.00
mm
- 0.05 / - 0.18
(Equiv. 0.394 in.) - Grip Length (EL)
56.85
mm
+ 0.51 / - 0.00
(Equiv. 2.238 in.) - Nom. Length (L)
60.00
mm
+ 0.51 / - 0.00
(Equiv. 2.362 in.) - Head Diameter (H) 18.00 mm
- Groove Diameter (G) 9.0 mm
- Groove Width (M) 1.2 mm
- Suggested E-Clip ECL-0090-0100-S15
- Material Stainless Steel 300 Series
Product Compliance and Data
Additional Resources
Cross References
- NoCor CLPGMS-100-060
- CLPGMS100060
- CLP1000600GS4



