
Miniature Bearings Australia
GE-01000-01900-ST - Datasheet
MBA
Category Information
Bushings - Spherical - Steel - No Oil HoleNo Oil Hole Steel Spherical Bushings. Steel spherical plain bearings. Also known as ball bushings.
- Compensates for axial loads and misalignment.
Product Data
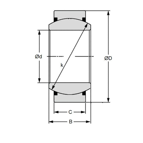
- Bore (d1)
:
10.000
mm
(Equiv. 0.394 in.) - OD (d2)
19.000
mm
(Equiv. 0.748 in.) - Width (B)
9.000
mm
(Equiv. 0.354 in.) - Outer Width (C) 6.00 mm
- Dynamic Load Capacity 960 kgf
- Static Load Capacity 5760 kgf
- Features No Wiper Seals / No Oil Hole
- Material Steel
Product Compliance and Data
Additional Resources
Applications & Uses
- RC Helicopter Parts
- Bergen Machine - Intrepid 60 - Bearing 10-19-9mm
Cross References
- IKO GE10E
- Nachi GE-10E



