
Miniature Bearings Australia
GE-10795-16828-ST-OH-W - Datasheet
MBA
Category Information
Bushings - Spherical - Steel - With Oil Hole and Wiper SealWith Oil Hole and Wiper Seal Steel Spherical Bushings. Steel spherical plain bearings. Also known as ball bushings.
- Compensates for axial loads and misalignment.
Product Data
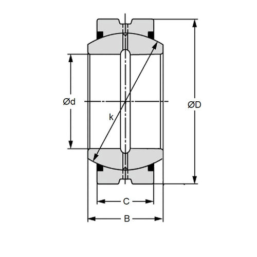
- Bore (d1)
:
107.950
mm
(Equiv. 4.25 in.) - OD (d2)
168.28
mm
(Equiv. 6.625 in.) - Width (B)
94.460
mm
(Equiv. 3.719 in.) - Outer Width (C) 80.95 mm
- Dynamic Load Capacity 125000 kgf
- Static Load Capacity 753000 kgf
- Features With Wiper Seals / With Oil Hole
- Material Steel
Product Compliance and Data
Additional Resources
Cross References
- Nachi SBB-68-2RS
- IKO SBB68-2RS
- Nachi SBB-68-RS
- IKO SBB68-RS
- SBB682RS
- SBB68RS



