
Miniature Bearings Australia
FRB-108RS - Datasheet
MBA
Category Information
Bumpers - RectangleRectangle Bumpers. This is the main category in this series
- Rectangular shape bumpers, used to provide a protective cushion, prevent slipping, dampen vibrations, or absorb shock.
- Commonly used for furniture, electronics, and industrial equipment. Can be attached using adhesive, screws, or other mounting hardware.
Product Data
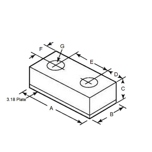
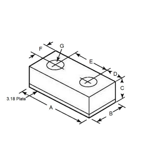
- Length (A)
:
101.600
mm
(Equiv. 4 in.) - Width (B)
25.400
mm
(Equiv. 1 in.) - Height (C)
19.050
mm
(Equiv. 0.75 in.) - Length Centre Hole (D) 38.100 mm
- Distance Between Holes (E) 25.400 mm
- Width Centre Hole (F) 12.700 mm
- Hole Size (G) 6.350 mm
- No. of Holes 2
- Durometer 80A
- Material Neoprene Rubber
Product Compliance and Data
Additional Resources


