
Miniature Bearings Australia
BP1016-1143-1016-BSLL - Datasheet
MBA
Category Information
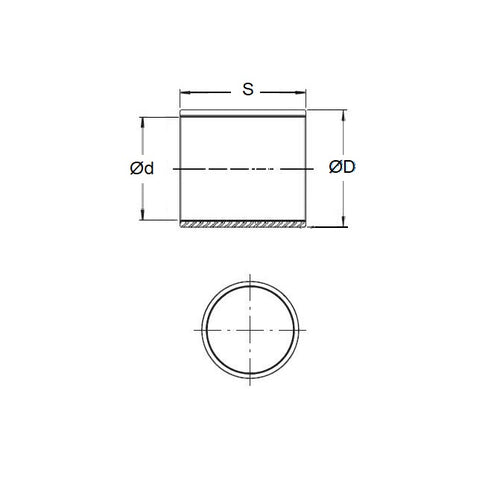
Bushes - Unflanged - Bronze - SinteredSintered Bronze Unflanged Bushes. Oil impregnated sintered bronze bushes.
- An expanded range may be available on special order. Please enquire.
- Precision items show an allowable Load Speed Rating in Newtons times RPM.
Product Data
- Nominal Inside Diameter (d)
:
101.600
mm
+ 0.025 / + 0.089
(Equiv. 4 in.) - Nominal Outside Diameter (D)
114.300
mm
+ 0.038 / + 0.102
(Equiv. 4.5 in.) - Length (s)
101.600
mm
(Equiv. 4 in.) - Material Bronze SAE 841 Sintered
Product Compliance and Data
Additional Resources
- DU Bush Material Information
- General Bushes Catalogue
- Sintered Bronze Products Catalogue
- Solid Bronze Bushes catalogue
Cross References
- Oilite® AA4500
- Oilite® AA-4500
- Oilube® AA-4500
- Symmco® SS-128144-64
- A7B4SP729232
- A7B4-SP729232
- SS12814464


