
Miniature Bearings Australia
CFF100-55-160M-R60 - Datasheet
MBA
Category Information
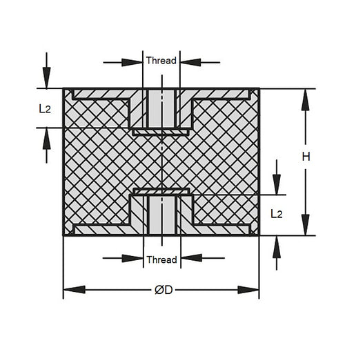
Mounts - Bobbin - FemaleFemale Bobbin Mounts. Vibration dampening
- An expanded range may be available on special order. Please enquire.
- Also see Bumpers
Product Data
- Nom. Body Diameter (D)
:
100.0
mm
(Equiv. 3.937 in.) - Body Height (H)
55.0
mm
(Equiv. 2.165 in.) - Thread Size M16x2.00
- Shore Hardness 60
- Compression Load 520 (1113) Kg (lbs)
- Deflection 4.7 mm
- Max Shear Load 164.8 (369.2) Kg (lbs)
- Configuration Female to Female
- Material Natural Rubber
Product Compliance and Data
Additional Resources
Cross References
- Trelleborg 20-01325
- 2001325
- C-ZY-16-100-55
- CZY1610055


