
Miniature Bearings Australia
REF-100-R-CB-F - Datasheet
MBA
Category Information
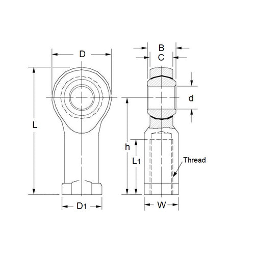
Rod Ends - Female - Steel - Plain - Bronze LinedBronze Lined Plain Steel Female Rod Ends. Imperial and Metric / Carbon Steel. Also known as Heim Joints
- An expanded range may be available on special order. Please enquire.
- Dimensions not shown are available on request.
Product Data
- Eye Size (d1)
:
10
mm
(Equiv. 0.394 in.) - Overall Length (L)
56.000
mm
(Equiv. 2.205 in.) - Thread Size (T) M10x1.25 Right
- Thread Length (l2) 20.00 mm
- Head Width (W) 10.50 mm
- Eye Width (W1) 14.00 mm
- Centre Height (l1) 43.00 mm
- Grease Nipple Yes
- Body Width/Flange Width(W2/D3) 17.00 / 19.00 mm
- Material Bronze Lined Steel
Product Compliance and Data
Additional Resources
Cross References
- Misumi E-GYN10A
- EGYN10A


