
Miniature Bearings Australia
KF048F-025-TPST - Datasheet
MBA
Category Information
Knobs - Ball - Female Threaded - Polished SteelPolished Steel Female Threaded Ball Knobs. Low carbon steel 12L14
- An expanded range may be available on special order. Please enquire.
Product Data
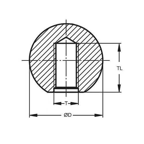
- Thread or Hole Size : 10-32 UNF (4.76mm)
- Diameter
25.40
mm
(Equiv. 1 in.) - Thread Minimum Depth
9.5
mm
(Equiv. 0.374 in.) - Material Steel
Product Compliance and Data
Additional Resources
Cross References
- 6045K34
- SB23
- SB-23



