
Miniature Bearings Australia
KM048F025-7L20-S4 - Datasheet
MBA
Category Information
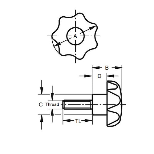
Knobs - Lobe - Seven Lobe - Male - StandardStandard Male Seven Lobe Lobe Knobs. Also see star knobs
- An expanded range may be available on special order. Please enquire.
Product Data
- Thread Size : 10-32 UNF (4.76mm)
- Head Diameter (A)
25.00
mm
(Equiv. 0.984 in.) - Thread Length
20.0
mm
(Equiv. 0.787 in.) - Colour Black
- Hub Diameter (C) 11.94 mm
- Hub Length (D) 7.87 mm
- Knob Height (B) 16.00 mm
- Material Stainless Steel 304 (Similar to A2, 18-8) HRB80
Product Compliance and Data
Additional Resources
Cross References
- KaVo KBP-288
- KBP288



