
Miniature Bearings Australia
THS048F-022-K-3-SHL - Datasheet
MBA
Category Information
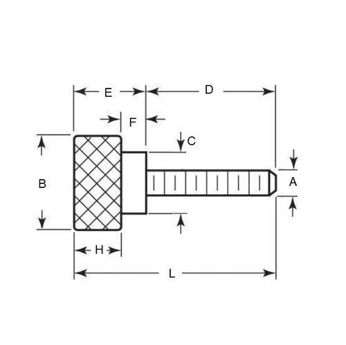
Screws - Thumb - ShoulderShoulder Thumb Screws. 303 Stainless Steel
- An expanded range may be available on special order. Please enquire.
Product Data
- Thread Size (A) : 10-32 UNF (4.76mm)
- Thread Length (D)
14.29
mm
(Equiv. 0.563 in.) - Overall Length (L)
22.23
mm
(Equiv. 0.875 in.) - Head Diameter (B) 12.70 mm
- Shoulder Diameter (C) 9.53
- Shoulder Length (F) 2.38
- Head Height incl Shoulder (E) 7.94 mm
- Material Stainless Steel 303/304 (Similar to A2, 18-8) HRB80
Product Compliance and Data
Additional Resources
- Screws & Nuts Catalogue
- Shoulder Screws Catalogue
- Socket Set (Grub) Screws Catalogue
- Thumb Screws & Thumb Nuts Catalogue
- Thread Size Chart - Combined Imperial & Metric
Cross References
- 91830A405
- KTS4405
- KTS-4405


