
Miniature Bearings Australia
NT048C-THC-BR - Datasheet
MBA
Category Information
Nuts - Thumb - Collared - BrassBrass Collared Thumb Nuts. This is the main category in this series
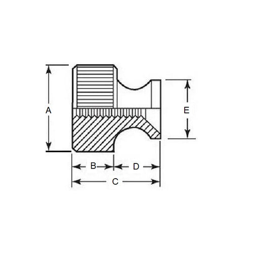
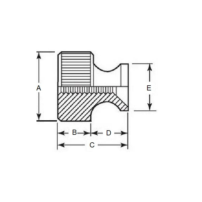
Product Data
- Thread Size : 10-24 UNC (4.76mm)
- Overall Length (C)
8.7
mm
(Equiv. 0.343 in.) - Head Width (B)
3.97
mm
(Equiv. 0.156 in.) - Head Diameter (A) 12.70 mm
- Collar Diameter (E) 10.32 mm
- Collar Height (D) 4.76 mm
- Material Brass
Product Compliance and Data
Additional Resources
Cross References
- 92741A130
- AJ-715
- AJ715



