
Miniature Bearings Australia
PSV2010.1-10 - Datasheet
MBA
Category Information
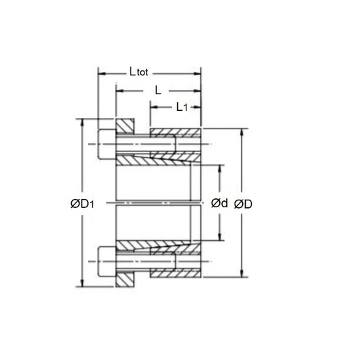
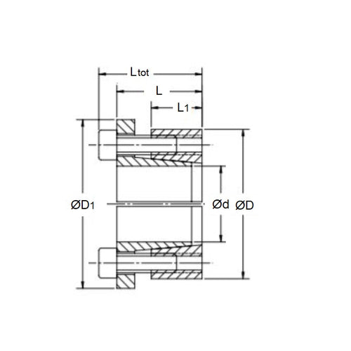
Locking Assemblies - FlangedFlanged Locking Assemblies. Suitable for locking sprockets, pulleys, eccentric shafts.
- This category will be discontinued when this item is sold.
- This item is priced to quit.
- Backorders or orders for previously listed items in the category may still be possible - please enquire.
- Locks components with a bore of (D) to shafts with a diameter of (d).
- C60 Steel (060A62).
- Outer ring expands whilst inner ring contracts. Flange eliminates axial movement of secured component.
- During tightening of the screws, the hub must be able to perform axial movement.
- Clearance h8 / H8. Surface roughness Rt max 10um shaft / hub.
Product Data
Deleted Item. Available while stocks last.
Please contact us first if you wish to use this item in a new design so we can check whether production can be resumed.
- ID x OD (d x D)
:
10 x 16
mm
(Equiv. 0.394 in.) - D1
29.0
mm
(Equiv. 1.142 in.) - L Overall
31.0
mm
(Equiv. 1.22 in.) - L1 14.0 mm
- L 27.0 mm
- Transmittable Torque (T) 50 Nm
- Transmittable Axial Force 9 kN
- Contact Pressure Shaft pw 125 N/mm2
- Contact Pressure Hub pN 78 N/mm2
- Tightening Torque (TA) 5 Nm
Product Compliance and Data
Additional Resources


