
Miniature Bearings Australia
REF-100-R-PP-F - Datasheet
MBA
Category Information
Rod Ends - Female - PlasticPlastic Female Rod Ends. Thermoplastic Body / L280(R) Polymer Ball. Also known as Heim Joints
- An expanded range may be available on special order. Please enquire.
- Dimensions not shown are available on request.
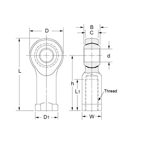
Product Data
- Eye Size (d1)
:
10.000
mm
(Equiv. 0.394 in.) - Overall Length (L)
58.00
mm
(Equiv. 2.283 in.) - Thread Size M10x1.25 Right
- Thread Length (l2) 20.00 mm
- Head Width (W) 14.00 mm
- Eye Width (W1) 10.50 mm
- Head Diameter (D1) 30.00 mm
- Centre Height (l1) 43.00 mm
- Grease Nipple No
- Max Angle of Pivot 25 °
- Max Torque Strength 20.00 n.m
- Body Width/Flange Width(W2/D3) 15.00 / 19.00 mm
- Material Plastic
Product Compliance and Data
Additional Resources
Cross References
- Igus KBRM-10F
- KBRM10F
- I-536
- I536



