
Miniature Bearings Australia
CP-100-100-69-066-J-HRC - Datasheet
MBA
Category Information
Couplings - HRCHRC Couplings. Discontinued Line. Whilst Stock Last.
- This category will be discontinued when the remaining items are sold.
- All items are priced to quit.
- Backorders or orders for previously listed items in the category may still be possible - please enquire.
Product Data
Deleted Item. Available while stocks last.
Please contact us first if you wish to use this item in a new design so we can check whether production can be resumed.
- Bore (B1)
:
10.000
mm
(Equiv. 0.394 in.) - Bore (B2)
10.000
mm
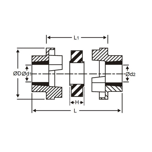
(Equiv. 0.394 in.) - Description Complete Coupling - 2 Halves and Insert
- Style HRC70
- OD 69 mm
- Approx Length 66 mm
- Material Steel
Product Compliance and Data
Additional Resources


