
Miniature Bearings Australia
KM064C-032-7L20-ST - Datasheet
MBA
Category Information
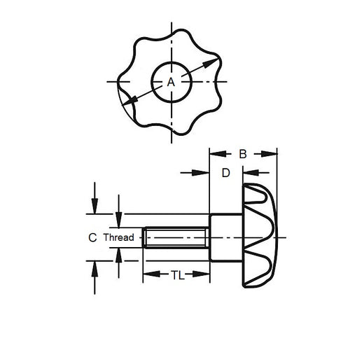
Knobs - Lobe - Seven Lobe - Male - StandardStandard Male Seven Lobe Lobe Knobs. Also see star knobs
- An expanded range may be available on special order. Please enquire.
Product Data
- Thread Size : 1/4-20 UNC (6.35mm)
- Head Diameter (A) 
32.00
mm
 (Equiv. 1.26 in.)
- Thread Length 
20.0
mm
 (Equiv. 0.787 in.)
- Colour Black
- Hub Diameter (C) 13.97 mm
- Hub Length (D) 9.91 mm
- Knob Height (B) 20.07 mm
- Material Plated Steel
Product Compliance and Data
Additional Resources
Cross References
- KaVo KBP-266
- KBP266
 
 
 


