
Miniature Bearings Australia
KM064C-025-NGL - Datasheet
MBA
Category Information
Knobs - Ball - Male Threaded - Novo-GripNovo-Grip Male Threaded Ball Knobs. Ergonomic Shape for easy gripping
- An expanded range may be available on special order. Please enquire.
- Unique styling for a very distinctive look
- Belt fluting for non-slip gripping
- Black thermoplastic with steel or stainless steel studs
Product Data
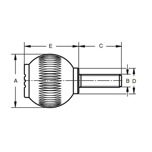
- Thread Size : 1/4-20 UNC (6.35mm)
- Head Diameter (A)
24.89
mm
(Equiv. 0.98 in.) - Thread Length (C)
30.0
mm
(Equiv. 1.181 in.) - Base Diameter (D) 11.94 mm
- Body Height (E) 24.89 mm
- Material Steel
Product Compliance and Data
Additional Resources
Cross References
- GK455
- GK-455


