
Miniature Bearings Australia
THS064C-019-K-BZ - Datasheet
MBA
Category Information
Screws - Thumb - Knurled - BrassBrass Knurled Thumb Screws. Brass knurled head thumb screws with zinc or black oxide protective coating.
- An expanded range may be available on special order. Please enquire.
Product Data
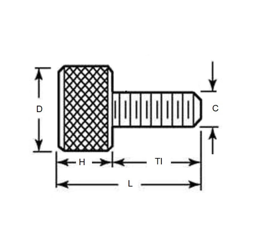
- Thread Size (C) : 1/4-20 UNC (6.35mm)
- Thread Length (Tl)
19.05
mm
(Equiv. 0.75 in.) - Overall Length (L)
25.40
mm
(Equiv. 1 in.) - Head Diameter (D) 12.70 mm
- Head Height (H) 6.35 mm
- Finish Zinc Chromate Plated
- Material Brass
Product Compliance and Data
Additional Resources
- Screws & Nuts Catalogue
- Shoulder Screws Catalogue
- Socket Set (Grub) Screws Catalogue
- Thumb Screws & Thumb Nuts Catalogue
- Thread Size Chart - Combined Imperial & Metric
Cross References
- 65488A307
- AJ492
- AJ-492


