
Miniature Bearings Australia
THS064C-013-K-3 - Datasheet
MBA
Category Information
Screws - Thumb - Knurled - Stainless - StandardStandard Stainless Knurled Thumb Screws. Stainless steel knurled head thumb screws
- An expanded range may be available on special order. Please enquire.
Product Data
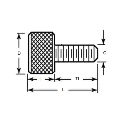
- Thread Size (C) : 1/4-20 UNC (6.35mm)
- Thread Length (Tl)
12.70
mm
(Equiv. 0.5 in.) - Overall Length (L)
19.05
mm
(Equiv. 0.75 in.) - Head Diameter (D) 12.70 mm
- Head Height (H) 6.35 mm
- Finish Plain
- Material Stainless Steel
Product Compliance and Data
Additional Resources
- Screws & Nuts Catalogue
- Shoulder Screws Catalogue
- Socket Set (Grub) Screws Catalogue
- Thumb Screws & Thumb Nuts Catalogue
- Thread Size Chart - Combined Imperial & Metric
Cross References
- 91746A421
- Reid Tool® AJ-589
- AJ589


