
Miniature Bearings Australia
SC-4383RS - Datasheet
MBA
Category Information
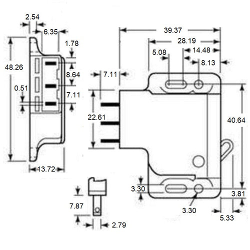
Catches - Side Mount With MicroswitchSide Mount With Microswitch Catches. Mounts inside your enclosure. Installs either right or left side by inverting. Use 4 gauge screws or 1/8in (3.125mm) rivets to install.
- Switch is designed to operate as an indicator light or form part of a non-safety related logic circuit.
Product Data
- Pull Up Force : 1.33
Product Compliance and Data
Additional Resources


