
Miniature Bearings Australia
FP-5SSRS - Datasheet
MBA
Category Information
Eye Bolts - Threaded Shank - Plain - Stainless SteelStainless Steel Plain Threaded Shank Eye Bolts. 304 Stainless Steel
- Fastener with a loop or eye at one end, and a fully threaded shank on the other.
- Used to attach ropes or cables to secure or lift objects by screwing the threaded end into a structure, with the loop providing an anchor point.
- Regular eye bolts for vertical lifting and shoulder eye bolts that can handle angled loads.
- Should not be used for angular lifts greater than 45o. Safety swivel hoist rings are recommended for such applications.
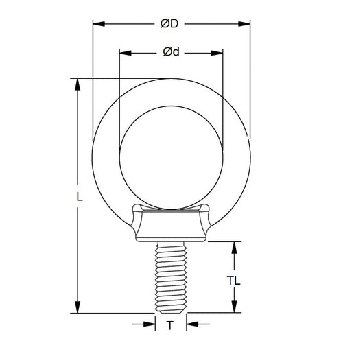
Product Data
- Thread Size : 1/2-13 UNC (12.7mm)
- Shank Length
152.400
mm
(Equiv. 6 in.) - Eye Inside Diameter
25.400
mm
(Equiv. 1 in.) - Thread Length 50.800 mm
- Rated Capacity 975 Kg
Product Compliance and Data
Additional Resources


