
Miniature Bearings Australia
THS127C-019-F-CS-WF - Datasheet
MBA
Category Information
Screws - Thumb - Flat Key Head - Washer FaceWasher Face Flat Key Head Thumb Screws. Flat Key head malleable iron screws with an integral washer
- An expanded range may be available on special order. Please enquire.
Product Data
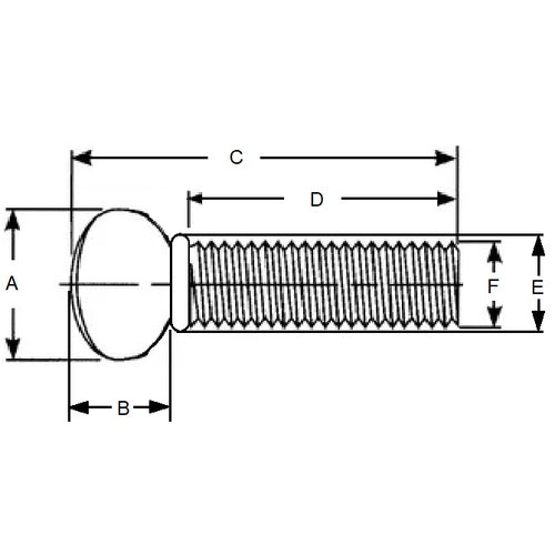
- Thread Size (C) : 1/2-13 UNC (12.7mm)
- Thread Length (D)
19.05
mm
(Equiv. 0.75 in.) - Overall Length (C)
47.63
mm
(Equiv. 1.875 in.) - Head Diameter (A) 36.51 mm
- Head Height (B) 28.58 mm
- Finish Tumbled
- Washer Diameter (E) 19.05 mm
- Material Malleable Iron
Product Compliance and Data
Additional Resources
- Screws & Nuts Catalogue
- Shoulder Screws Catalogue
- Socket Set (Grub) Screws Catalogue
- Thumb Screws & Thumb Nuts Catalogue
- Thread Size Chart - Combined Imperial & Metric
Cross References
- MIT57
- MIT-57


