
Miniature Bearings Australia
FP-13RS - Datasheet
MBA
Category Information
Eye Bolts - Threaded Shank - Plain - Carbon SteelCarbon Steel Plain Threaded Shank Eye Bolts. Forged self coloured carbon steel.
- Forged self coloured carbon steel.
- Should not be used for angular lifts greater than 45o. Safety swivel hoist rings are recommended for such applications.
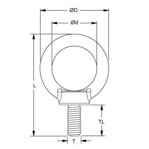
Product Data
- Thread Size : 1.1/2-6 UNC (38.1mm)
- Shank Length
88.900
mm
(Equiv. 3.5 in.) - Eye Inside Diameter
63.500
mm
(Equiv. 2.5 in.) - Rated Capacity 9525 Kg
Product Compliance and Data
Additional Resources
Cross References
- 3013T58



